
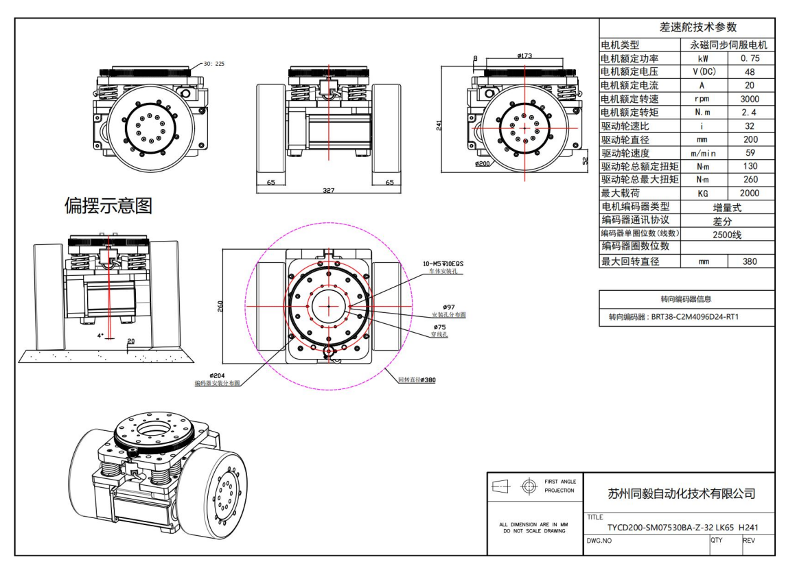
TYCD200 Differential Wheel Set
750W/1.5KW/2T
load:2T
wheel diameter:200MM
ratio:24/32
motor power:750W/1500W
climbing angle:2°
Product Parameters

Download
Drawings download
load:2T
wheel diameter:200MM
ratio:24/32
motor power:750W/1500W
climbing angle:2°
上海同毅自动化技术有限公司 沪ICP备17034153号-1 Copyright 2017 Shanghai TongYi Electric Corporation. All rights reserve ![]() |