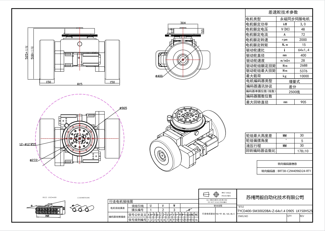
TYCD400 Differential Wheel Set 10T (hydraulic)
Load:10T
Whell diamater: 4000MM
Equipped with Built-in Hydraulic Suspension and Lifting Functions
Hydraulic Stroke: 150MM (Customizable)
Travel Motor Power: 3KW(optional)
ratio:1.4*64(optional)
clambing angle:5°
Product Parameters

Download
Drawings download


